918²©ÌìÓéÀÖ¹ÙÍø

918²©ÌìÓéÀÖ¹ÙÍø¶¯Á¦
¹ÉƱ´úÂë 301236
China
China Global
  • ¼¯ÍŹÙÍø
    ¹«Ë¾ÏÈÈÝ¡¢ÐÂÎŶ¯Ì¬¡¢·þÎñÓëÐÐÒµµÈÐÅÏ¢
  • 918²©ÌìÓéÀÖ¹ÙÍøÅÌËã»ú
    ÐÅ´´¹¤ÒµIT»ù´¡ÉèÊ©ÕûÌ弯»®¼°²úÆ·ÌṩÉÌ
  • ÖÇͨ¹ú¼Ê
    Éî¸û¸ßÐÔÄÜPCÊг¡Ê®ÓàÄ꣬ £¬£¬£¬£¬ £¬ £¬£¬ÒýÁìÐÐÒµÁ¢ÒìµÄ¹ú»õÓÎÏ·±¾Æ·ÅÆ¡ª¡ª»úе¸ïÃü
  • ºèºþÍòÁª
    רעÖÇÄÜÎïÁªÍø²Ù×÷ϵͳÑз¢ºÍ¹¤Òµ»¯·þÎñ
  • 918²©ÌìÓéÀÖ¹ÙÍø½ÌÓý
    רעÓÚICTÈ˲ʩӦÓë×÷Óý
918²©ÌìÓéÀÖ¹ÙÍø¶¯Á¦

ÔÆÊÖÒÕ¸³ÄÜÖÆÔìÒµ£¬ £¬£¬£¬£¬ £¬ £¬£¬918²©ÌìÓéÀÖ¹ÙÍø¶¯Á¦Îª¹úï¹É·Ý²åÉÏÊý×Ö»¯Í¬µ³

2023.10.31

Êý×Ö»¯¡¢ÍøÂ绯¡¢ÖÇÄÜ»¯ÊÇÊý×Ö¾­¼Ãʱ´úÉú³¤µÄÖ÷ÒªÌØÕ÷¡£¡£ ¡£¡£ ¡£¡£¡£¡£Óë´Ëͬʱ£¬ £¬£¬£¬£¬ £¬ £¬£¬ÍøÂçÇå¾²Ò²ÔÚÏòϵͳ»¯¡¢³£Ì¬»¯¡¢ÊµÕ½»¯Æ«ÏòÂõ½ø£¬ £¬£¬£¬£¬ £¬ £¬£¬ÆóÒµÉÏÔÆ½¨ÉèÕý´Ó²úÆ·Çý¶¯Ïò·þÎñÇý¶¯×ª±ä¡£¡£ ¡£¡£ ¡£¡£¡£¡£918²©ÌìÓéÀÖ¹ÙÍø¶¯Á¦ÒÔÑÇÂíÑ·ÔÆ¿Æ¼¼ÆÕ±é¶øÉîÈëµÄ·þÎñÓëÊÖÒÕΪÇÐÈëµã£¬ £¬£¬£¬£¬ £¬ £¬£¬Îª³öº£ÆóÒµÌá¹©ÔÆÔ­ÉúÓ¦Óÿª·¢¡¢ÉÏÔÆÇ¨áã¡¢¼Ü¹¹ÓÅ»¯¡¢ÔÆÉÏÔËά¹ÜÀíµÈ·þÎñ£¬ £¬£¬£¬£¬ £¬ £¬£¬×ÊÖúÆä¼ÓËÙÊý×Ö»¯×ªÐÍÀú³Ì£¬ £¬£¬£¬£¬ £¬ £¬£¬ÊÍ·ÅӪҵDZÄÜ¡£¡£ ¡£¡£ ¡£¡£¡£¡£

½­ËÕ¹úï¼õËÙ»ú¹É·ÝÓÐÏÞ¹«Ë¾£¨ÒÔϼò³Æ“¹úï¹É·Ý”£©£¬ £¬£¬£¬£¬ £¬ £¬£¬Î»ÓÚ½­ËÕÊ¡³£ÖÝÊУ¬ £¬£¬£¬£¬ £¬ £¬£¬¼ç¸º“³ÉΪÌìϼ¶´«¶¯×¨¼Ò”Ô¸¾°£¬ £¬£¬£¬£¬ £¬ £¬£¬¹úï¹É·Ý¾ß±¸ÐÛºñµÄÖÖÖÖ¹¤Òµ¼õËÙ»úºÍµç»úÑз¢¡¢ÖÆÔìÈ«Ì×ÊÖÒÕÁ¦Á¿¼°ÏȽø²âÊÔÊֶΣ¬ £¬£¬£¬£¬ £¬ £¬£¬Îª²úÆ·Ìṩϵͳ»¯µÄÕûÌåÊÖÒÕ½â¾ö¼Æ»®·þÎñ£¬ £¬£¬£¬£¬ £¬ £¬£¬ÊÇÖйúͨÓûúе¹¤Òµ¼õ±äËÙ»úÐÐÒµµÄ±ê¸ËÐÍ×¨ÒµÖÆÔì·þÎñÆóÒµ¡£¡£ ¡£¡£ ¡£¡£¡£¡£

Ëæ×Źú¼Ò“ÖйúÖÆÔì2035”¶ÔÐÅÏ¢»¯½¨ÉèµÄÖ¸µ¼£¬ £¬£¬£¬£¬ £¬ £¬£¬ÒÔ¼°¹úï¹É·Ý×ÔÉíÐÅÏ¢ÊÖÒÕºÍÊý×ÖÊÖÒÕµÄÉú³¤ºÍ½á¹¹ÒªÇ󡣡£ ¡£¡£ ¡£¡£¡£¡£¹«Ë¾Ïòµ¼Ìá³öÁËÒÀ¸½ÐÂÐË»¥ÁªÍøÊÖÒÕ½¨Éè¾ß±¸ÌìÏÂÏȽøË®Æ½µÄÐÅÏ¢»¯ÏµÍ³£¬ £¬£¬£¬£¬ £¬ £¬£¬Í¨¹ýÔÆÅÌËã½á¹¹¿ªÍØÍâÑóÊг¡£¡£ ¡£¡£ ¡£¡£¡£¡£¬ £¬£¬£¬£¬ £¬ £¬£¬ÊµÏÖÊý×Ö»¯ÖÆÔì¡¢ÖÇÄÜÖÆÔìµÄÕ½ÂÔ¡£¡£ ¡£¡£ ¡£¡£¡£¡£

918²©ÌìÓéÀÖ¹ÙÍø¶¯Á¦×÷ΪÖйúÁìÏȵÄÈí¼þÓëÐÅÏ¢ÊÖÒÕ·þÎñÉÌ£¬ £¬£¬£¬£¬ £¬ £¬£¬ÒÀ¸½ÉîÖ¿µÄÐÐÒµ»ýÀÛÒÔ¼°ºÍÁìÏȵÄÊÖÒÕʵÁ¦£¬ £¬£¬£¬£¬ £¬ £¬£¬Æð¾¢ÏìÓ¦ÅäºÏ¹úï¹É·ÝµÄÕ½ÂÔÄ¿µÄ¡£¡£ ¡£¡£ ¡£¡£¡£¡£Óë¹úï¹É·ÝµÄÊÖÒÕ²¿·ÖͨÁ¦Ð­×÷£¬ £¬£¬£¬£¬ £¬ £¬£¬½«DDDÉè¼ÆÀíÄ΢·þÎñ¡¢DevopsµÈÏȽøÊÖÒÕÒýÈ룬 £¬£¬£¬£¬ £¬ £¬£¬¶Ô¹úï¹É·ÝÏÖÓÐÊÖÒռܹ¹¾ÙÐÐË¢ÐÂÉý¼¶£¬ £¬£¬£¬£¬ £¬ £¬£¬¼«´óÌáÉýÁË¿ª·¢Ð§ÂÊÓëÓ¦Óÿɿ¿¶È¡£¡£ ¡£¡£ ¡£¡£¡£¡£½èÖúÑÇÂíÑ·ÔÆ¿Æ¼¼ÔÚÍâÑóµÄƽ̨×ÊÔ´ÓÅÊÆ£¬ £¬£¬£¬£¬ £¬ £¬£¬ÖúÁ¦×ÅʵÏÖITϵͳȫÇò»¯Í³Ò»°²ÅÅ£¬ £¬£¬£¬£¬ £¬ £¬£¬½µµÍÁËÆóÒµ±¾Ç®¡£¡£ ¡£¡£ ¡£¡£¡£¡£Í¨¹ýÒ»Á¬¸³Äܵķ½·¨£¬ £¬£¬£¬£¬ £¬ £¬£¬½«¹úï¹É·ÝÔ­ÓйŰåÔËάÍŶÓÌáÉýΪÁËӪҵѸËÙÍŶӣ¬ £¬£¬£¬£¬ £¬ £¬£¬Óɱ¾Ç®ÖÐÐÄÏò¼ÛÖµÖÐÐľÙÐÐÁËת±ä¡£¡£ ¡£¡£ ¡£¡£¡£¡£

ÒÔÊý×ÖÊÖÒÕÖúÁ¦¹úï¹É·ÝÇý¶¯Ñз¢ÏµÍ³Àå¸ï

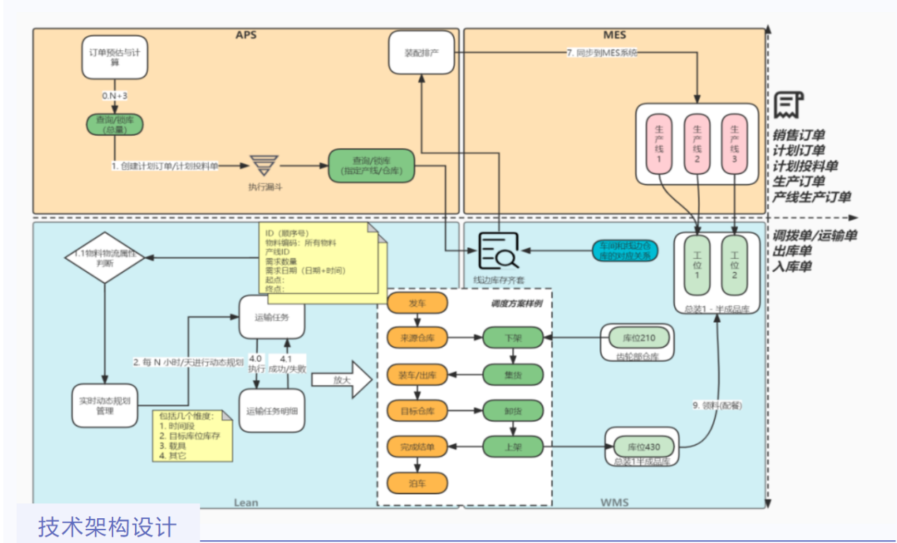
Õë¶Ô¹úï¹É·Ý¿ª·¢ÖÜÆÚ³¤¡¢±¾Ç®¸ß¡¢ÍŶӳÉԱȱ·¦¶ÔÐÂÊÖÒÕ¡¢ÐÂÀíÄîµÄÃ÷È·ºÍÕÆÎÕµÈÎÊÌ⣬ £¬£¬£¬£¬ £¬ £¬£¬918²©ÌìÓéÀÖ¹ÙÍø¶¯Á¦Í¨¹ýÁìÓòÆÊÎöºÍÉè¼Æ£¬ £¬£¬£¬£¬ £¬ £¬£¬ÀåÇåÓªÒµ¼Ü¹¹£¬ £¬£¬£¬£¬ £¬ £¬£¬´ÓÓªÒµµÄ½Ç¶ÈÉè¼ÆITϵͳ£¬ £¬£¬£¬£¬ £¬ £¬£¬Îª¹úï¹É·ÝÁ¿Éí¶¨ÖÆ»ùÓÚAWSÔÆÆ½Ì¨µÄÔÆÔ­Éú¿ª·¢¼°Î¢·þÎñ»¯¼Ü¹¹ÂäµØÊµÑ飬 £¬£¬£¬£¬ £¬ £¬£¬²¢ÔÚÏîÄ¿½»¸¶Àú³Ì»ùÓÚÑÇÂíÑ·ÔÆÔ­Éú¿ª·¢DDDÁìÓòÇý¶¯Éè¼ÆÍŽáÏÖʵӪҵºÏÀí»®·Ö΢·þÎñ²¢½ÓÄÉjava spring-Cloud ΢·þÎñ¼Ü¹¹¡£¡£ ¡£¡£ ¡£¡£¡£¡£ÁíÍ⣬ £¬£¬£¬£¬ £¬ £¬£¬½ÓÄÉÑÇÂíÑ·ÔÆ Code PipelineÍŽáEKS×é¼þʵÏÖ¾µÏñµÄ×Ô¶¯»¯CI/CD,½ÓÄÉX-ray¿ÉÊÓ»¯Î¢·þÎñ¼äµÄϵͳŲÓ㬠£¬£¬£¬£¬ £¬ £¬£¬È۶ϵÈ¡£¡£ ¡£¡£ ¡£¡£¡£¡£

»ùÓÚ¶Ô¹úï¹É·ÝÕûÌåÏúÊÛºÍÉú²úÁ÷³ÌµÄÃ÷È·£¬ £¬£¬£¬£¬ £¬ £¬£¬918²©ÌìÓéÀÖ¹ÙÍø¶¯Á¦Õë¶Ô¹úï¹É·ÝAPSϵͳºÍWMSϵͳÉÏÏÂÓÎϵͳµÄ¾ÙÐгä·Öµ÷ÑкÍÓªÒµÊáÀí£¬ £¬£¬£¬£¬ £¬ £¬£¬Âòͨ´ÓÏúÊ۶˵½Éú²ú¶ËȫӪҵÁ÷³Ì£¬ £¬£¬£¬£¬ £¬ £¬£¬ÊµÏÖÈ«Á´Â·µÄÊý×Ö»¯Ë¢Ð£¬ £¬£¬£¬£¬ £¬ £¬£¬ÌáÉýÉú²úЧÂʺ;­¼ÃÐ§Òæ¡£¡£ ¡£¡£ ¡£¡£¡£¡£Éè¼ÆSQSºÍSNS¾ÙÐÐÉÏÏÂÓÎϵͳµÄ½»»¥Ï¢Õùñ £¬£¬£¬£¬ £¬ £¬£¬LEANϵͳ´ÓWMSÖлñÈ¡µ½ÌôËôʹÃü£¬ £¬£¬£¬£¬ £¬ £¬£¬¾ÙÐпìËٵľۺϺÍÌìÉúÅäË͵¥£¬ £¬£¬£¬£¬ £¬ £¬£¬Í¨¹ýSQS·¢ËÍÅäË͵¥¸øWMS¾ÙÐм¯»õ¡¢³ö¿â¡¢ÅäËÍ¡¢Èë¿âµÈ²Ù×÷£¬ £¬£¬£¬£¬ £¬ £¬£¬¿ìËÙÏìÓ¦ÏúÊÛ¶©µ¥Ê¹Ãü£¬ £¬£¬£¬£¬ £¬ £¬£¬ÊµÏÖÉú²úN+3µÄ¶©µ¥Ä¿µÄ¡£¡£ ¡£¡£ ¡£¡£¡£¡£918²©ÌìÌÃ(ÖйúÇø)¹Ù·½ÍøÕ¾

918²©ÌìÌÃ(ÖйúÇø)¹Ù·½ÍøÕ¾

ÐÂÎÅ

¡¾ÍøÕ¾µØÍ¼¡¿¡¾sitemap¡¿